tivo wiring diagram

TiVo Wiring Guide. 15 Pics about TiVo Wiring Guide : Tivo Moca Wiring Diagram - Complete Wiring Schemas, Tivo Moca Wiring Diagram - Complete Wiring Schemas and also TiVo Wiring Guide.

TiVo Wiring Guide

TiVo Wiring Guide www.electrophobia.com

tivo receiver vcr connecting cable box tv diagram cd ld

How TiVo Works | HowStuffWorks

How TiVo Works | HowStuffWorks electronics.howstuffworks.com

tivo

TiVo Wiring Guide

TiVo Wiring Guide www.electrophobia.com

tivo box vcr tv diagram connecting cable ecoustics 2005 february through

Basic Home Theater Wiring Diagrams... - AVS Forum | Home Theater

Basic Home Theater Wiring Diagrams... - AVS Forum | Home Theater www.avsforum.com

theater wiring vcr basics conduit tv unfortunately yes still use

Wiring Diagram Connection For Vizio Tv To Dvd Player

Wiring Diagram Connection For Vizio Tv To Dvd Player schematron.org

diagram tv wiring vizio dvd connection player schematic block power supply led connect cable turn plasma repair vhs recorder wii

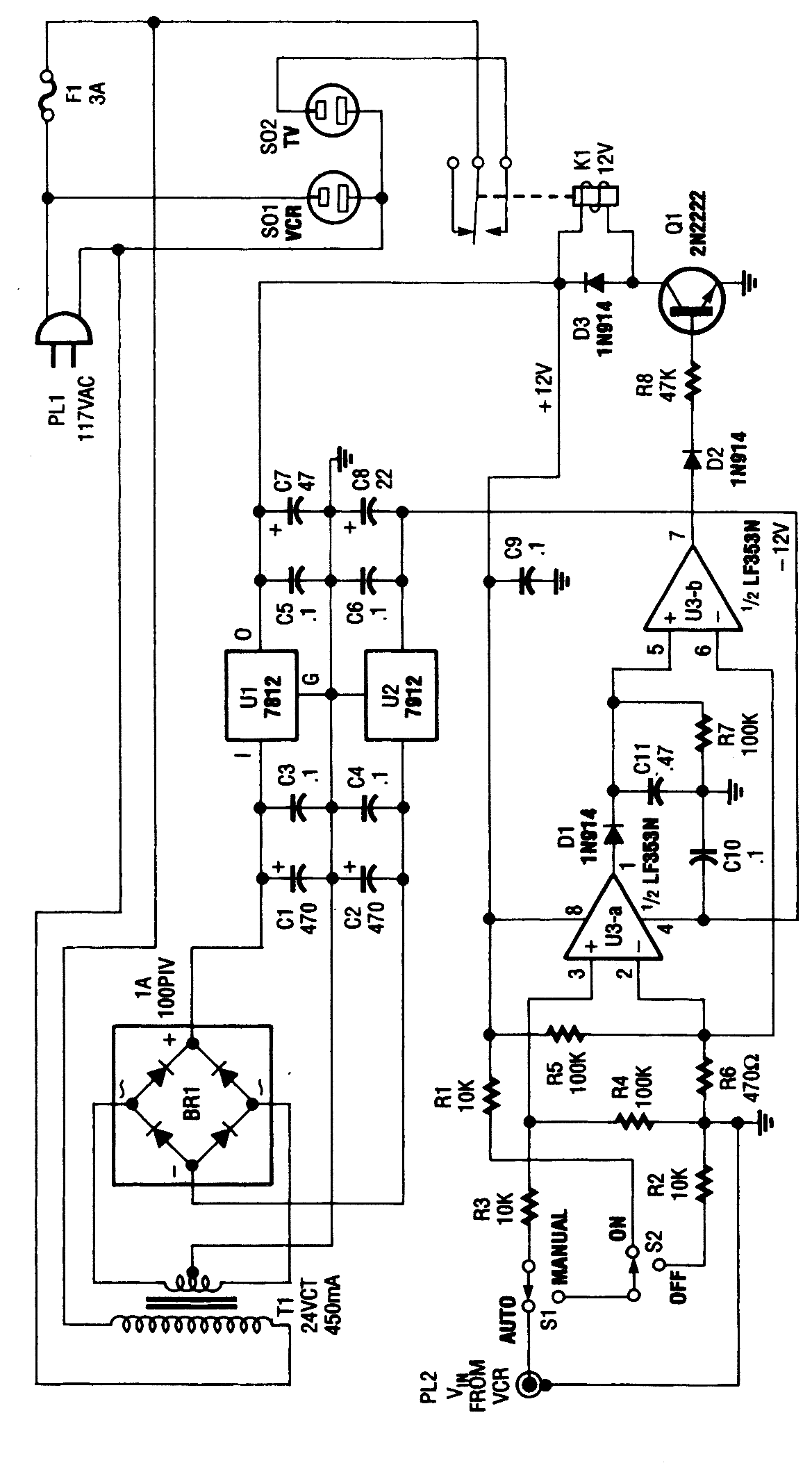
VCR_TV_ON_OFF_CONTROL - Control_Circuit - Circuit Diagram - SeekIC.com

VCR_TV_ON_OFF_CONTROL - Control_Circuit - Circuit Diagram - SeekIC.com www.seekic.com

vcr seekic

Wi3 Makes The Connection With HTSA - Strata-gee.com

Wi3 Makes the Connection with HTSA - Strata-gee.com www.strata-gee.com

network wi3 connection moca diagram networking system htsa makes solutions ethernet strata gee install

Moca Modem And Wiring Diagram - Wiring Diagram

Moca Modem And Wiring Diagram - Wiring Diagram wiring121.blogspot.com

moca netgear cm600 actiontec coax

03 MINI COOPER STEREO WIRING DIAGRAM - Auto Electrical Wiring Diagram

03 MINI COOPER STEREO WIRING DIAGRAM - Auto Electrical Wiring Diagram electrowiring.herokuapp.com

cooper mini diagram wiring stereo

Tivo Moca Wiring Diagram - Complete Wiring Schemas

Tivo Moca Wiring Diagram - Complete Wiring Schemas wiring89.blogspot.com

diagram tivo moca wiring

Tivo Moca Wiring Diagram - Complete Wiring Schemas

Tivo Moca Wiring Diagram - Complete Wiring Schemas wiring89.blogspot.com

moca antenna diagram tivo network wiring

[CB_6439] Saab 900 Vacuum Hose Diagram Download Diagram

[CB_6439] Saab 900 Vacuum Hose Diagram Download Diagram pila.expe.lave.itis.mohammedshrine.org

schematic tachometer vacuum fuse 350z z1 kawasaki schema 900s wrg

ComTekk Software Help - About

ComTekk Software Help - About comtekk.com

begin testing sure ready manuals

Actiontec Wiring Diagram - Wiring Diagram Networks

Actiontec Wiring Diagram - Wiring Diagram Networks kelvin-okl.blogspot.com

actiontec matrimoniale trazi hrvatska njega ona

Tivo Moca Wiring Diagram - Complete Wiring Schemas

Tivo Moca Wiring Diagram - Complete Wiring Schemas wiring89.blogspot.com

tivo diagram wiring recorder hookup connections cable

Tivo moca wiring diagram. Vcr seekic. Tivo moca wiring diagram