tokheim pump wiring diagram

F&w Pump Wiring Diagram - mahilajuminto. 15 Pics about F&w Pump Wiring Diagram - mahilajuminto : schematic and wiring diagram, Tokheim 39 short Gas Pump Info | GasPumps.us Old Gas Pump Parts and also [Get 29+] Wiring Diagram Jockey Pump - Blog 7989.

F&w Pump Wiring Diagram - Mahilajuminto

F&w Pump Wiring Diagram - mahilajuminto mahilajuminto.blogspot.com

flint walling vp10

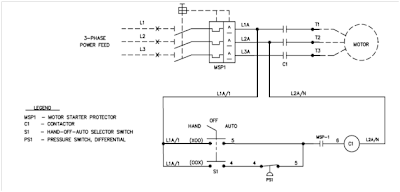
Pump Wiring Diagrams - Pierce Arrow Inc.

Pump Wiring Diagrams - Pierce Arrow Inc. www.piercearrowinc.com

wiring hydraulics 2020cadillac annawiringdiagram hayward

[Get 29+] Wiring Diagram Jockey Pump - Blog 7989

[Get 29+] Wiring Diagram Jockey Pump - Blog 7989 bdjfl4589746.blogspot.com

jockey

Mitsubishi L300 Air Con Wiring Diagram - Wiring Diagram

Mitsubishi L300 Air Con Wiring Diagram - Wiring Diagram wiringdiagram.2bitboer.com

air relay compressor conditioning replace diagram yourmechanic mitsubishi wiring con advice l300 circuit

New To This Site As Member, But Have Read It A Few Years - Page 2

New to this site as member, but have read it a few years - Page 2 www.irv2.com

irv2

Restored Vintage Tokheim Model 40 Short Power Gas Pump W Lighted | Car

Restored Vintage Tokheim Model 40 Short Power Gas Pump W Lighted | Car www.tankbig.com

tokheim

Tokheim 39 Short Gas Pump Info | GasPumps.us Old Gas Pump Parts

Tokheim 39 short Gas Pump Info | GasPumps.us Old Gas Pump Parts www.gaspumps.us

tokheim 39 pump gas parts short gaspumps info

Pump Wiring

Pump wiring www.askmehelpdesk.com

Rule 500 Gph Bilge Pump Wiring Diagram Collection

Rule 500 Gph Bilge Pump Wiring Diagram Collection www.dentistmitcham.com

bilge gph thargo

Gasboy Fuel Pump Wiring Diagram - Blogmaygomes

Gasboy Fuel Pump Wiring Diagram - blogmaygomes blogmaygomes.blogspot.com

instructions gasboy blogmaygomes

Schematic And Wiring Diagram

schematic and wiring diagram schematicandwiringdiagram.blogspot.com

tokheim gas pump diagram parts wiring schematic gaspumps info

Pump Wiring

pump wiring www.schiffsbilderarchiv.de

pump wiring switch side tappet

Figure FO-2. 600 GPM Pump Wiring Diagram (Sheet 2 Of 3)

Figure FO-2. 600 GPM Pump Wiring Diagram (Sheet 2 of 3) fuelpumps.tpub.com

wiring fo

Tokheim 39 Short Gas Pump Info | GasPumps.us Old Gas Pump Parts

Tokheim 39 short Gas Pump Info | GasPumps.us Old Gas Pump Parts www.gaspumps.us

pump tokheim wiring diagram gas parts short info gaspumps door electric circuit

Gas Pump Diagram - General Wiring Diagram

Gas Pump Diagram - General Wiring Diagram galvinconanstuart.blogspot.com

Schematic and wiring diagram. Pump wiring. Instructions gasboy blogmaygomes