touch tone telephone wiring schematics

free schematics. 11 Pictures about free schematics : Figure 7-1. Wiring Diagram, Telephone Set TA-676/G, TOUCH_TONE_DIALER - Telephone-Related_Circuit - Electrical_Equipment and also mg midget 1500 wiring diagram - Wiring Diagram.

Free Schematics

free schematics free-schematic.blogspot.com

telephone line tester circuit

Simple Telephone Voice Amplifier Circuit ~ Wiring File Archive

Simple Telephone Voice Amplifier Circuit ~ Wiring File Archive wiringarchive.blogspot.com

Western Electric Wiring Diagram - Style Guru: Fashion, Glitz, Glamour

western electric wiring diagram - Style Guru: Fashion, Glitz, Glamour www.stylesgurus.com

6bm8

Index 5 - Telephone-Related Circuit - Electrical Equipment Circuit

Index 5 - Telephone-Related Circuit - Electrical Equipment Circuit www.seekic.com

circuit telephone phone line related seekic interfacing ringer interrupt useful should projects

Telephone Circuit Page 5 : Telephone Circuits :: Next.gr

telephone circuit Page 5 : Telephone Circuits :: Next.gr www.next.gr

telephone circuit line muting audio based light circuits electronic phone gr controlled remote switch diagrams ring dtmf projects enjoying often

Mg Midget 1500 Wiring Diagram - Wiring Diagram

mg midget 1500 wiring diagram - Wiring Diagram wiringdiagram.2bitboer.com

wiring midget mg diagram 1500 1976 schematic

Off Line Telephone Tester - Electronics Circuits & Hobby

Off line Telephone tester - Electronics Circuits & Hobby www.electronic-circuits-diagrams.com

telephone tester line circuit diagram simple circuits electronic diagrams phone testing dc voltage instrument switches any using webmaster problems please

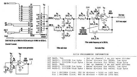
TOUCH_TONE_DIALER - Telephone-Related_Circuit - Electrical_Equipment

TOUCH_TONE_DIALER - Telephone-Related_Circuit - Electrical_Equipment www.seekic.com

circuit dialer tone touch electrical equipment seekic

Index 5 - Telephone-Related Circuit - Electrical Equipment Circuit

Index 5 - Telephone-Related Circuit - Electrical Equipment Circuit www.seekic.com

circuit telephone seekic

Figure 7-1. Wiring Diagram, Telephone Set TA-676/G

Figure 7-1. Wiring Diagram, Telephone Set TA-676/G miscpartsmanuals2.tpub.com

Phone Wire Schematic - Wiring Diagram

Phone Wire Schematic - Wiring Diagram wiring121.blogspot.com

wiring phone diagram schematic candlestick telephone wire gpo golfball layout

Mg midget 1500 wiring diagram. Telephone circuit line muting audio based light circuits electronic phone gr controlled remote switch diagrams ring dtmf projects enjoying often. Telephone circuit page 5 : telephone circuits :: next.gr