touch wiring diagram

TR1/XV1000/XV920 wiring diagrams - Manfred's TR1. Page - All about. 17 Pictures about TR1/XV1000/XV920 wiring diagrams - Manfred's TR1. Page - All about : Simple Touch Switch - Electronic Schematic Diagram, TOUCH SWITCHS | Electronic Circuits Diagram and also Touch Switch Circuit.

TR1/XV1000/XV920 Wiring Diagrams - Manfred's TR1. Page - All About

TR1/XV1000/XV920 wiring diagrams - Manfred's TR1. Page - All about www.pinterest.com

wiring diagram 1982 yamaha xv750 tr1 xv920r virago xv xv920 diagrams chain electrical 750 535 1100 xv1000 wire headlight viragotech

Touch Switch Circuit

Touch Switch Circuit www.free-electronic-circuits.com

circuits electronic switch touch 5cm 2cm dimensions

VWVortex.com - 03 Jetta Relay Diagram Or Under Dash Picture Needed

VWVortex.com - 03 Jetta relay diagram or under dash picture needed www.pinterest.com

diagram fuse vw jetta relay box dash under

On-Off Touch Switch Circuit Diagram With CA3240 | Electronic Circuit

On-Off Touch Switch Circuit Diagram with CA3240 | Electronic Circuit circuitsstream.blogspot.com

switch touch circuit diagram

Ethernet Cable Color Code Enticing Appearance Cat Wiring Diagram Within

Ethernet Cable Color Code Enticing Appearance Cat Wiring Diagram Within www.pinterest.com

wiring diagram cable ethernet cat6 cat code crossover wire rj45 coding electrical network codes router informatique guide diagrams patch jack

DiMarzio Bluesbucker Wiring Diagram | Humbucker Soup

DiMarzio Bluesbucker Wiring Diagram | Humbucker Soup humbuckersoup.com

wiring dimarzio diagram guitar humbucker example

Touch Switch II | Circuit Diagrams And Schematic

Touch Switch II | Circuit diagrams and Schematic circuitdiagrams.wordpress.com

Simple Touch Switch - Electronic Schematic Diagram

Simple Touch Switch - Electronic Schematic Diagram skema-elektronik.blogspot.com

switch touch circuit diagram simple lamp 220v dimmer ac source control circuits seekic electronic elektronik schematic

1985 Chevy Truck Fuse Box Diagram And Fuse Box Gmc C - Getting Started

1985 Chevy Truck Fuse Box Diagram and Fuse Box Gmc C - Getting Started www.pinterest.com

wiring silverado c1500 imageservice wrg winnebago fiero wiringg motogurumag schematics

TOUCH SWITCHS | Electronic Circuits Diagram

TOUCH SWITCHS | Electronic Circuits Diagram streampowers.blogspot.com

touch switchs switch wiring april

BIGTREETECH SKR MINI E3 32 Bit Control Board Integrated TMC2209 UART F

BIGTREETECH SKR MINI E3 32 Bit Control Board Integrated TMC2209 UART F www.biqu.equipment

skr ender bigtreetech tmc2209 mainboard creality uart biqu marlin btt ender3 tft 32bit tft35 filament kingprint connecting installed aurarum techbitshop

3 Phase Wiring / Fuse Panel | Home Electrical Wiring, Basic Electrical

3 phase wiring / fuse panel | Home electrical wiring, Basic electrical www.pinterest.com

wiring

Control And Monitoring – Page 2 – Electronic Circuit Diagram

Control and Monitoring – Page 2 – Electronic Circuit Diagram freecircuitdiagram.com

timer touch switch ic diagram circuit monostable circuits schematic rend april gr

SIMPLE_TOUCH_SWITCH - Switch_Control - Control_Circuit - Circuit

SIMPLE_TOUCH_SWITCH - Switch_Control - Control_Circuit - Circuit www.seekic.com

switch simple touch circuit seekic control

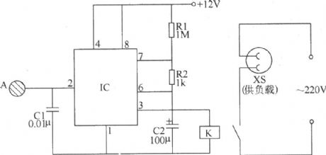
The Electric Switch Circuit Of Touch Type (4) - Control_Circuit

The electric switch circuit of touch type (4) - Control_Circuit www.seekic.com

circuit switch touch electric type seekic diagram

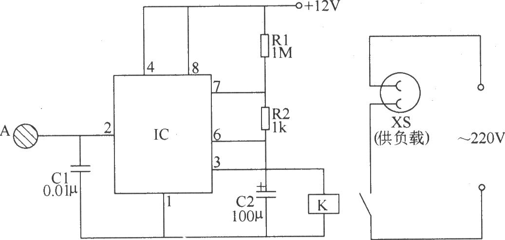
The Electric Switch Circuit Of Touch Type (4) - Control_Circuit

The electric switch circuit of touch type (4) - Control_Circuit www.seekic.com

circuit touch switch electric type seekic

AC Contactor Not Pulling In - 10 Reasons Why - YouTube | Refrigeration

AC Contactor Not Pulling In - 10 Reasons Why - YouTube | Refrigeration www.pinterest.com

contactor wiring air ac diagram conditioning hvac furnace fan conditioner pulling motor coleman coil reasons why thermostat installation sante

Ac contactor not pulling in. Switch touch circuit diagram. Switch touch circuit diagram simple lamp 220v dimmer ac source control circuits seekic electronic elektronik schematic