toyota corolla 1996 wiring diagram overall

C,12925439 toyota-coralla-1996-wiring-diagram-overall. 15 Images about C,12925439 toyota-coralla-1996-wiring-diagram-overall : Toyota Coralla 1996 wiring diagram overall | Toyota | Car Manufacturers, 1997 Toyota Corolla Wiring Diagram Manual Original and also 2001 Toyota Corolla Wiring Diagram | Toyota corolla, Toyota, Corolla.

C,12925439 Toyota-coralla-1996-wiring-diagram-overall

C,12925439 toyota-coralla-1996-wiring-diagram-overall www.slideshare.net

coralla 4afe 3uz

Toyota Corolla 1991 Wiring Diagram - YouTube

Toyota Corolla 1991 Wiring Diagram - YouTube www.youtube.com

toyota diagram corolla 1991 wiring

Repair-manuals: Toyota Corolla 1979 Wiring Diagrams

repair-manuals: Toyota Corolla 1979 Wiring Diagrams repair-manuals.blogspot.com

wiring diagram corolla toyota headlight 1979 pdf manual diagrams 1996 manuals repair 1998 guide 1989

36 Toyota Corolla Speed Sensor Wiring Diagram - Wiring Diagram Online

36 Toyota Corolla Speed Sensor Wiring Diagram - Wiring Diagram Online sitzone.blogspot.com

corolla wiring

Toyota Coralla 1996 Wiring Diagram Overall

Toyota Coralla 1996 wiring diagram overall www.scribd.com

wiring diagram toyota 1996 corolla coralla overall 1997 electrical engine

Toyota Corona Service Manuals - Wiring Diagrams

Toyota Corona Service Manuals - Wiring Diagrams www.auto-manual.com

toyota corona wiring manual diagrams diagram 1968 manuals service tacoma

2001 Toyota Corolla Wiring Diagram | Toyota Corolla, Toyota, Corolla

2001 Toyota Corolla Wiring Diagram | Toyota corolla, Toyota, Corolla www.pinterest.com

2009-2010 Toyota Corolla Electrical Wiring Diagrams | Anti Lock Braking

2009-2010 Toyota Corolla Electrical Wiring Diagrams | Anti Lock Braking www.scribd.com

wiring toyota corolla diagrams engine 2009 electrical 3sge modifying camry

Toyota Coralla 1996 Wiring Diagram Overall | Toyota | Car Manufacturers

Toyota Coralla 1996 wiring diagram overall | Toyota | Car Manufacturers www.scribd.com

toyota wiring diagram 1996 corolla ecu pinout 4afe pdf coralla overall camry engine 3s gte

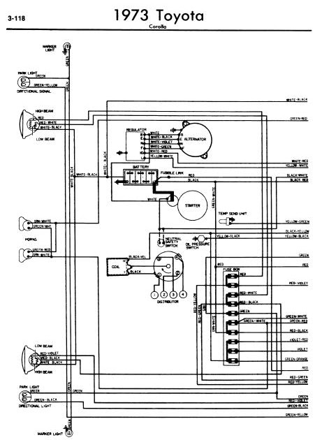
Repair-manuals: Toyota Corolla 1973 Wiring Diagrams

repair-manuals: Toyota Corolla 1973 Wiring Diagrams repair-manuals.blogspot.com

toyota corolla 1973 wiring

1997 Toyota Corolla Wiring Diagram Manual Original

1997 Toyota Corolla Wiring Diagram Manual Original www.faxonautoliterature.com

corolla toyota diagram wiring 1997 manual

Toyota Corolla 1981 Wiring Diagrams | Online Manual Sharing

Toyota Corolla 1981 Wiring Diagrams | Online Manual Sharing manualtransformer.blogspot.com

toyota corolla 1981 wiring manual repair 1989 pdf manuals diagrams

1996 Toyota Corolla Ignition Wiring Diagram | Schematic And Wiring Diagram

1996 Toyota Corolla Ignition Wiring Diagram | schematic and wiring diagram schematicandwiringdiagram.blogspot.com

forklift hyster s50xm fork e46 dumper thwaites headcontrolsystem g6 harnes troubleshooting jcb

C,12925439 Toyota-coralla-1996-wiring-diagram-overall

C,12925439 toyota-coralla-1996-wiring-diagram-overall www.slideshare.net

coralla 3b

Repair-manuals: Toyota Corolla 1972 Wiring Diagrams

repair-manuals: Toyota Corolla 1972 Wiring Diagrams repair-manuals.blogspot.com

wiring toyota corolla 1972 diagrams manuals repair

C,12925439 toyota-coralla-1996-wiring-diagram-overall. Toyota corona wiring manual diagrams diagram 1968 manuals service tacoma. Coralla 4afe 3uz