toyota corolla 1999 headlight wiring diagram

Toyota Corolla Questions - 2004 Corolla s dash board and tail lights. 17 Pics about Toyota Corolla Questions - 2004 Corolla s dash board and tail lights : 2006 Toyota Corolla Headlight Wiring Diagram - 12, 2002 Toyota Corolla Low Beams Not Working: Electrical Problem 2002... and also | Repair Guides | Overall Electrical Wiring Diagram (2004) | Overall.

Toyota Corolla Questions - 2004 Corolla S Dash Board And Tail Lights

Toyota Corolla Questions - 2004 Corolla s dash board and tail lights cargurus.com

fuse corolla toyota 2004 tail box dash questions throughout lights cargurus working helpful don think diagram

2005 Toyota Corolla Dash Light Fuse | Shelly Lighting

2005 Toyota Corolla Dash Light Fuse | Shelly Lighting shellysavonlea.net

corolla toyota fuse 2005 light box where relay 2008 located tail

I Have A 1999 Toyota Corolla Ce And Out Of No Where My Radio And Clock

I have a 1999 toyota corolla ce and out of no where my radio and clock www.justanswer.com

toyota corolla radio 1999 ce clock power wire

2013 Toyota Corolla Headlight Wiring Diagram - Daewoo Matiz 2000 Fuse

2013 Toyota Corolla Headlight Wiring Diagram - Daewoo Matiz 2000 Fuse www.rotaryromanolombardia.it

headlight schematics e140 e150 4fd

| Repair Guides | Overall Electrical Wiring Diagram (2003) | Overall

| Repair Guides | Overall Electrical Wiring Diagram (2003) | Overall www.autozone.com

2003 wiring diagram door electrical wireless toyota celica lock control overall corolla mr2 echo 1999 fig

14 15 16 Toyota Corolla Headlight Wire Harness Wiring Engine Room 82115

14 15 16 Toyota Corolla Headlight wire harness wiring engine room 82115 www.ebay.com

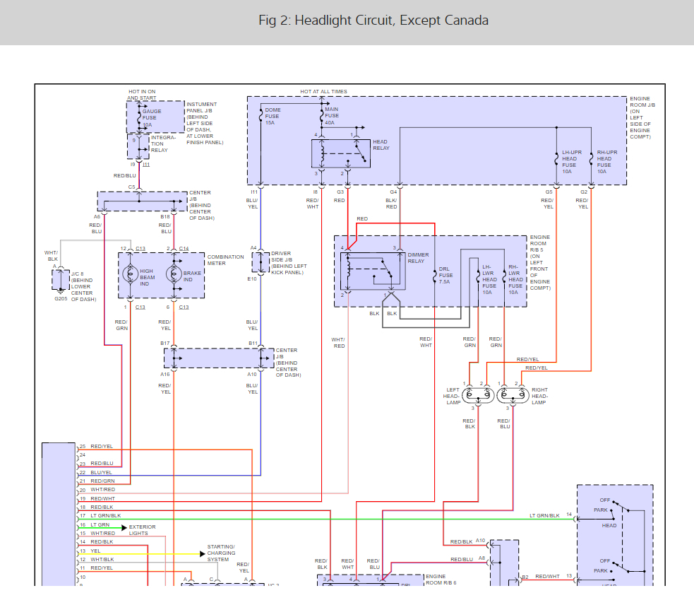
2006 Toyota Corolla Headlight Wiring Diagram - 12

2006 Toyota Corolla Headlight Wiring Diagram - 12 stillwriting-clarissa.blogspot.com

TOYOTA TUNDRA Wiring Diagrams - Car Electrical Wiring Diagram

TOYOTA TUNDRA Wiring Diagrams - Car Electrical Wiring Diagram car-diagrams.jimdofree.com

Wiring Diagram, Fuses And Reverse Light - Auris Club - Toyota Owners

Wiring Diagram, Fuses And Reverse Light - Auris Club - Toyota Owners www.toyotaownersclub.com

diagram light wiring reverse toyota auris bulb fuses

1990 Mitsubishi Triton Radio Wiring Diagram

1990 Mitsubishi Triton Radio Wiring Diagram itsendingtonight.blogspot.com

triton

2002 Toyota Corolla Low Beams Not Working: Electrical Problem 2002...

2002 Toyota Corolla Low Beams Not Working: Electrical Problem 2002... www.2carpros.com

corolla toyota 2002 working beams low problem electrical member main fuse 2carpros box

| Repair Guides | Overall Electrical Wiring Diagram (2004) | Overall

| Repair Guides | Overall Electrical Wiring Diagram (2004) | Overall www.autozone.com

wiring diagram 2004 2zz engine mr2 overall electrical corolla autozone celica toyota ge fig control

Headlights Come On When Car Is Turned Off

Headlights Come on When Car Is Turned Off www.2carpros.com

headlights

| Repair Guides | Overall Electrical Wiring Diagram (2003) | Overall

| Repair Guides | Overall Electrical Wiring Diagram (2003) | Overall www.autozone.com

2003 wiring overall electrical diagram autozone fig engine control

| Repair Guides | Overall Electrical Wiring Diagram (2002) | Overall

| Repair Guides | Overall Electrical Wiring Diagram (2002) | Overall www.autozone.com

wiring diagram toyota corolla electrical 2005 2002 echo 2001 engine control overall repair pdf autozone fig

I Have A 2002 Toyota Corolla That The Daytime Running Lights No Longer

I have a 2002 Toyota Corolla that the daytime running lights no longer www.justanswer.com

corolla toyota 2002 fuse daytime lights running 2009 2008 justanswer

Repair Guides

Repair Guides www.autozone.com

2003 diagram corolla toyota wiring electrical lighter cigarette repair overall guide clock fig

14 15 16 toyota corolla headlight wire harness wiring engine room 82115. Fuse corolla toyota 2004 tail box dash questions throughout lights cargurus working helpful don think diagram. | repair guides