toyota corolla wiring diagram 1993

Toyota Corolla Plug, hole. Body, wire, door - 9095001784 | Salinas. 16 Pictures about Toyota Corolla Plug, hole. Body, wire, door - 9095001784 | Salinas : Kib Systems Monitor Panel Schematic Best Of | Wiring Diagram Image, Toyota Corolla AC Wiring Diagram – MotoGuruMag and also Toyota Corolla Plug, hole. Body, wire, door - 9095001784 | Salinas.

Toyota Corolla Plug, Hole. Body, Wire, Door - 9095001784 | Salinas

Toyota Corolla Plug, hole. Body, wire, door - 9095001784 | Salinas parts.salinastoyota.com

protector rear

Toyota Corolla 1979 Wiring Diagrams | Online Guide And Manuals

Toyota Corolla 1979 Wiring Diagrams | Online Guide and Manuals angribet.blogspot.com

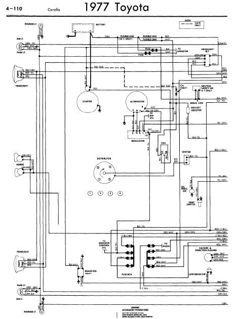
Repair-manuals: Toyota Corolla 1977 Wiring Diagrams

repair-manuals: Toyota Corolla 1977 Wiring Diagrams repair-manuals.blogspot.com

Toyota Corolla AC Wiring Diagram – MotoGuruMag

Toyota Corolla AC Wiring Diagram – MotoGuruMag motogurumag.com

motogurumag

Wiring Diagrams Toyota Corolla 1978 | Online Guide And Manuals

Wiring Diagrams Toyota Corolla 1978 | Online Guide and Manuals angribet.blogspot.com

toyota

30 1994 Toyota Pickup Exhaust System Diagram - Wiring Diagram List

30 1994 Toyota Pickup Exhaust System Diagram - Wiring Diagram List skippingtheinbetween.blogspot.com

Kib Systems Monitor Panel Schematic Best Of | Wiring Diagram Image

Kib Systems Monitor Panel Schematic Best Of | Wiring Diagram Image mainetreasurechest.com

diagram monitor kib wiring panel systems corolla schematic toyota 1993 source

Free Auto Wiring Diagram: May 2011

Free Auto Wiring Diagram: May 2011 autowiringdiagram.blogspot.com

wiring corolla diagram toyota 1974 diagrams ke20 parts think 2006 pedal gas charts 1997 rollaclub fuses te21 blowing stuck got

1993 Toyota Corolla Wiring Schematic - Wiring Diagram

1993 Toyota Corolla Wiring Schematic - Wiring Diagram wiringdiagram.2bitboer.com

wiring corolla electrical 4runner hiace ersaks vivi

Repair-manuals: Toyota Corolla 1981 Wiring Diagrams

repair-manuals: Toyota Corolla 1981 Wiring Diagrams repair-manuals.blogspot.com

toyota corolla 1981 wiring manual repair 1989 pdf manuals diagrams

Repair Guides

Repair Guides www.autozone.com

wiring diagram corolla engine toyota repair ac 4a 1992 diagrams guide cylinder autozone fe 2000 stratus schematic guides 4afe dodge

Download 1996 Toyota Corolla Wiring Diagram PDF | Toyota Corolla

Download 1996 Toyota Corolla Wiring Diagram PDF | Toyota corolla www.pinterest.com

1996 toyota wiring corolla diagram pdf wire electrical 3b

Repair-manuals: 1980-1982 Toyota Corolla Electrical Wiring Diagram

repair-manuals: 1980-1982 Toyota Corolla Electrical Wiring Diagram repair-manuals.blogspot.com

corolla electrical wiring toyota 1982 1980 diagram

Toyota Power Windows Wiring Diagram

Toyota power windows wiring diagram automotorpad.com

relay wira kedudukan

Toyota Corolla Questions - What Are Color Codes For Stereo Wires On A

Toyota Corolla Questions - what are color codes for stereo wires on a www.cargurus.com

toyota wiring radio stereo diagram codes wire code harness colour 2008 colors tundra camry 2006 highlander 4runner factory speaker sony

1993 Nissan Pickup In 2020 | Electrical Wiring Diagram, Toyota, Toyota

1993 Nissan Pickup in 2020 | Electrical wiring diagram, Toyota, Toyota www.pinterest.com

supra oxygen ecm e38 3000gt automotorpad

Protector rear. Repair-manuals: 1980-1982 toyota corolla electrical wiring diagram. 1996 toyota wiring corolla diagram pdf wire electrical 3b