toyota corona wiring diagram manual

1977 Toyotum Corona Wiring Diagram - Wiring Diagram Schemas. 14 Pics about 1977 Toyotum Corona Wiring Diagram - Wiring Diagram Schemas : Toyota Corona Mark II 1976 Wiring Diagrams | Online Manual Sharing, Toyota Corona 1979 Wiring Diagrams ~ Guide Information Blogs and also repair-manuals: Toyota Corona 1978 Wiring Diagrams.

1977 Toyotum Corona Wiring Diagram - Wiring Diagram Schemas

1977 Toyotum Corona Wiring Diagram - Wiring Diagram Schemas sightronscopes.blogspot.com

3sfe

NISSAN Almera Wiring Diagrams - Car Electrical Wiring Diagram

NISSAN Almera Wiring Diagrams - Car Electrical Wiring Diagram car-diagrams.jimdofree.com

wiring diagram almera nissan electric diagrams power corsa electrical steering ignition

Toyota Corona Mark II 1976 Wiring Diagrams | Online Manual Sharing

Toyota Corona Mark II 1976 Wiring Diagrams | Online Manual Sharing manualtransformer.blogspot.com

wiring toyota 1976 ii corona mark diagrams markii manual

Repair-manuals: Toyota Corona Mark II 1974 Wiring Diagrams

repair-manuals: Toyota Corona Mark II 1974 Wiring Diagrams repair-manuals.blogspot.com

toyota 1974 wiring mark ii corona diagrams

Toyota Corona Mark II 1974 Wiring Diagrams | Online Manual Sharing

Toyota Corona Mark II 1974 Wiring Diagrams | Online Manual Sharing manualtransformer.blogspot.com

wiring toyota 1974 mark ii corona diagrams

Maxima Warning Light Wiring Diagram 5 - Wiring Diagram

Maxima Warning Light Wiring Diagram 5 - Wiring Diagram wiring121.blogspot.com

hiace

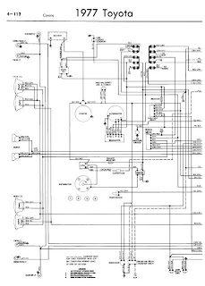
Repair-manuals: Toyota Corona 1977 Wiring Diagrams

repair-manuals: Toyota Corona 1977 Wiring Diagrams repair-manuals.blogspot.com

toyota wiring diagram manual corona electrical 1977 camry 1998 diagrams 2004 repair 1997 hilux sienna cadillac manuals 1975 system jimcdn

[HS_5343] 1990 Toyota Forklift Wiring Diagram Free Diagram

[HS_5343] 1990 Toyota Forklift Wiring Diagram Free Diagram icand.joami.salv.ginia.mohammedshrine.org

forklift regulator townace

Repair-manuals: Toyota Corona 1977 Wiring Diagrams

repair-manuals: Toyota Corona 1977 Wiring Diagrams repair-manuals.blogspot.com

wiringdiagram 3sgte motogurumag

Repair-manuals: Toyota Corona 1978 Wiring Diagrams

repair-manuals: Toyota Corona 1978 Wiring Diagrams repair-manuals.blogspot.com

wiring toyota 1978 corona diagrams manuals repair

Repair-manuals: Toyota Corona Mark II 1972 Wiring Diagrams

repair-manuals: Toyota Corona Mark II 1972 Wiring Diagrams repair-manuals.blogspot.com

toyota corona wiring 1972 mark ii diagram diagrams october

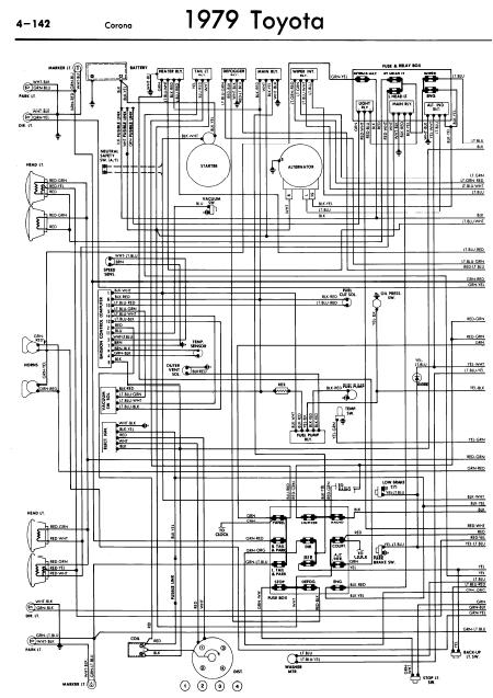
Toyota Corona 1979 Wiring Diagrams ~ Guide Information Blogs

Toyota Corona 1979 Wiring Diagrams ~ Guide Information Blogs reandsve.blogspot.com

1989 Toyota Camry Power Window Wiring Diagram - Wiring View And

1989 Toyota Camry Power Window Wiring Diagram - Wiring View and www.wiringview.co

Toyota Rav4 Knock Sensor Location - Toyota Rav 4

Toyota Rav4 Knock Sensor Location - Toyota Rav 4 toyotarav4japan.blogspot.com

rav4 rav vsv

Toyota corona mark ii 1974 wiring diagrams. Wiring toyota 1978 corona diagrams manuals repair. Toyota corona wiring 1972 mark ii diagram diagrams october