toyota engine schematics

California Emission Air Assisted Fuel Injectors: I Am Trying to. 18 Images about California Emission Air Assisted Fuel Injectors: I Am Trying to : Toyotum Engine Part Diagram Ignition - Complete Wiring Schemas, toyota engine diagram Questions & Answers (with Pictures) - Fixya and also TOYOTA 1KZ-TE TURBO DIESEL ENGINE JDM 1KZ-TE 3.0L MOTOR 4X4 MANUAL.

California Emission Air Assisted Fuel Injectors: I Am Trying To

California Emission Air Assisted Fuel Injectors: I Am Trying to www.2carpros.com

fuel air assisted california camry toyota 1994 injectors emission

Buy Toyota Engine Repair Manual

Buy toyota engine repair manual cadetleadership.org

bidorbuy

Toyota Corolla Fuse Box Diagram (1995-2002; E110) | Automotive Handbook

Toyota Corolla Fuse Box Diagram (1995-2002; E110) | Automotive handbook carmanualsclub.com

e110 fuses lhd rhd fusecheck

Toyota Corolla Repair Manual: Components - Partial Engine Assy

Toyota Corolla Repair Manual: Components - Partial engine assy www.tcorolla.net

corolla components toyota repair manual engine

Toyota 3S Fe Fuel System Pdf / Toyota Corona Service Manuals Wiring

Toyota 3S Fe Fuel System Pdf / Toyota Corona Service Manuals Wiring cornelias-images.blogspot.com

wiring 3s elettrificatore elettrico recinti gtfour supras 3sgte 4ws faults

Toyota Engine Diagram Questions & Answers (with Pictures) - Fixya

toyota engine diagram Questions & Answers (with Pictures) - Fixya www.fixya.com

fixya pertaining alfa regard carbureted jturcotte 2062 carpny

All Model Toyotas Engine Wiring Diagrams | Vehicle Technology | Car

All Model Toyotas Engine Wiring Diagrams | Vehicle Technology | Car es.scribd.com

Toyota Echo Repair Manual Free Download | Automotive Handbook

Toyota Echo repair manual free download | Automotive handbook carmanualsclub.com

sportivo manuals reparaturanleitungen

TOYOTA 1KZ-TE TURBO DIESEL ENGINE JDM 1KZ-TE 3.0L MOTOR 4X4 MANUAL

TOYOTA 1KZ-TE TURBO DIESEL ENGINE JDM 1KZ-TE 3.0L MOTOR 4X4 MANUAL usedjdmengine.com

1kz

Pin By Angel AkKi On I'll Do It Myself | Vtec, Honda Civic Engine, Ecu

Pin by Angel AkKi on I'll do it myself | Vtec, Honda civic engine, Ecu www.pinterest.com

civic ecu wiring honda pinout vtec obd1 integra sensor engine switch diagram gsr pressure tech p28 swap wire harness oil

Toyotum Engine Part Diagram Ignition - Complete Wiring Schemas

Toyotum Engine Part Diagram Ignition - Complete Wiring Schemas wiring89.blogspot.com

toyota engine ignition zn6 cylinder diagram coil block spark

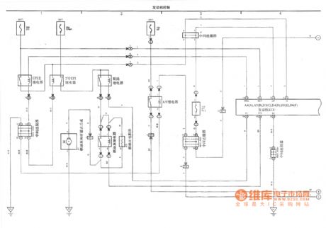
Index 1772 - Circuit Diagram - SeekIC.com

Index 1772 - Circuit Diagram - SeekIC.com www.seekic.com

diagram faw circuit toyota engine control seekic ruizhi figure

Index Of /pdf/T23/Toyota Celica Service Manual (00 - Up)/Engine

Index of /pdf/T23/Toyota Celica service manual (00 - up)/Engine www.celica.fr

celica toyota engine t23 manual pdf service diagrams comp 49k 2009

17+ 2002 Chevy Truck Wiring Diagram | Chevy Trucks, Chevy Silverado

17+ 2002 Chevy Truck Wiring Diagram | Chevy trucks, Chevy silverado www.pinterest.com

wiring diagram chevy 1500 silverado 2002 truck

Toyota Corolla Repair Manual: Components - Partial Engine Assy

Toyota Corolla Repair Manual: Components - Partial engine assy www.tcorolla.net

engine components assy partial corolla toyota repair manual

DormanĀ® - Toyota Camry 2000 Vacuum Switching Valve

DormanĀ® - Toyota Camry 2000 Vacuum Switching Valve www.carid.com

valve vacuum camry toyota switching dorman egr purge 2000 parts 2001 valves lexus es330 avalon 1997 emissions

JDM 2L TOYOTA HILUX 4RUNNER 2.4L EFi DIESEL TURBO ENGINE AUTO RWD TRANS

JDM 2L TOYOTA HILUX 4RUNNER 2.4L EFi DIESEL TURBO ENGINE AUTO RWD TRANS www.ebay.com

toyota hilux engine 2l efi turbo diesel rwd 4runner 4l jdm ecu trans

Engine Does Not Rev Only Idles: Four Cylinder Two Wheel Drive 115,...

Engine Does Not Rev Only Idles: Four Cylinder Two Wheel Drive 115,... www.2carpros.com

engine relays corolla toyota 1997 idles rev does those check 2carpros revving starting

Fixya pertaining alfa regard carbureted jturcotte 2062 carpny. Celica toyota engine t23 manual pdf service diagrams comp 49k 2009. Civic ecu wiring honda pinout vtec obd1 integra sensor engine switch diagram gsr pressure tech p28 swap wire harness oil