toyota radio 86120 0c020 wiring diagram

Toyota Wiring (1991-2005 year). Instruction - part 20. 15 Images about Toyota Wiring (1991-2005 year). Instruction - part 20 : OEM fit Android Head Unit Radio DVD Navigation upgrade installation, Toyota Fujitsu Ten 86120 Wiring Diagram - Hanenhuusholli and also 43 Stereo Toyota 86120 Wiring Diagram - Wiring Diagram Source Online.

Toyota Wiring (1991-2005 Year). Instruction - Part 20

Toyota Wiring (1991-2005 year). Instruction - part 20 zinref.ru

1991

Toyota Radio Wiring

Toyota radio Wiring www.scribd.com

toyota radio wiring 13p hewatt 2320 tm

46 Toyota 86140 Wiring Diagram - Wiring Diagram Source Online

46 Toyota 86140 Wiring Diagram - Wiring Diagram Source Online apiccolisogni.blogspot.com

prius stereo yaris

6903-AU GPS Car Stereo In Dash Toyota Corolla Prado Landcruiser Hilux

6903-AU GPS Car Stereo in Dash Toyota Corolla Prado Landcruiser Hilux www.ebay.com.au

landcruiser runx

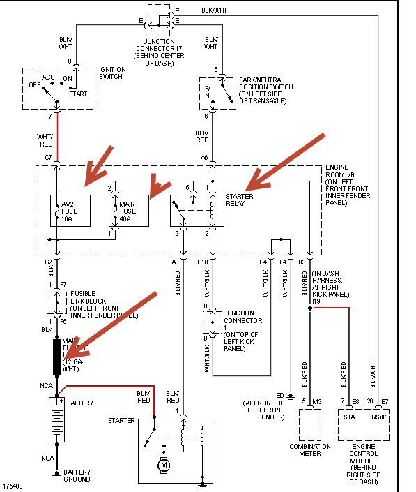
My Car Wont Start But The Radio And Ac Is Working All Lights On

My Car Wont Start but the Radio and Ac Is Working All Lights on www.2carpros.com

wont radio start ac avensis

Toyota Fujitsu Ten 86120 Wiring Diagram - General Wiring Diagram

Toyota Fujitsu Ten 86120 Wiring Diagram - General Wiring Diagram galvinconanstuart.blogspot.com

wiring fujitsu camry toyotum

Jbl Toyota Wiring Diagram Free Picture Schematic | Schematic And Wiring

Jbl Toyota Wiring Diagram Free Picture Schematic | schematic and wiring schematicandwiringdiagram.blogspot.com

jbl harness bookingritzcarlton camry sequoia

Radio Tour Guide System – Yoiki Guide

Radio Tour Guide System – Yoiki Guide yoikiguide.com

yaesu

OEM Fit Android Head Unit Radio DVD Navigation Upgrade Installation

OEM fit Android Head Unit Radio DVD Navigation upgrade installation www.toyotanation.com

radio unit head oem wiring diagram dvd navigation highlander android toyota installation 2008 upgrade answers questions offline

Toyota Fujitsu Ten 86120 Wiring Diagram - Hanenhuusholli

Toyota Fujitsu Ten 86120 Wiring Diagram - Hanenhuusholli hanenhuusholli.blogspot.com

fujitsu 0c030

Pioneer Honda Wiring Diagram Free Picture Schematic | Wire

Pioneer Honda Wiring Diagram Free Picture Schematic | Wire tinyjudson.blogspot.com

schematics diagrams diagrama

Toyota 86120 Wiring Diagram Pdf - Wiring Diagram

Toyota 86120 Wiring Diagram Pdf - Wiring Diagram facybulka.me

diagram toyota wiring pdf

43 Stereo Toyota 86120 Wiring Diagram - Wiring Diagram Source Online

43 Stereo Toyota 86120 Wiring Diagram - Wiring Diagram Source Online apiccolisogni.blogspot.com

sienna installer harness diagrams tools

Radio Not Turning On - Toyota Nation Forum : Toyota Car And Truck Forums

Radio Not Turning On - Toyota Nation Forum : Toyota Car and Truck Forums www.toyotanation.com

radio wiring toyota diagram stereo harness turning wire supra connector truck

2002 Toyota Hiace Radio Wiring Diagram - MIZZXERRAA

2002 Toyota Hiace Radio Wiring Diagram - MIZZXERRAA mizzxerraa.blogspot.com

honeygain pharmacology hiace versions vella kindle

Diagram toyota wiring pdf. Jbl toyota wiring diagram free picture schematic. Radio tour guide system – yoiki guide